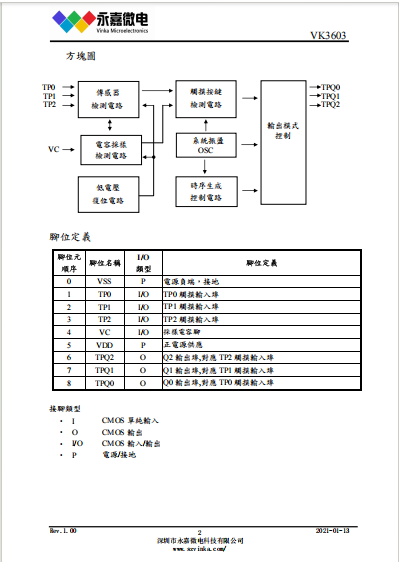
产品型号:VK3603 (按键触摸芯片)
产品品牌:VINKA 永嘉微电
封装形式:DFN-8
产品年份:新年份
VK3603 是一款使用电容式感应原理设计的触摸 IC,提供稳定的 「触摸按键」 检测效果可以广泛的满足不同的应用需求且可在有介质隔离保护的情况下实现触摸功能,安全性高 (如玻璃,压克力等材质)。此触摸检晶片是专为取代传统按键而设计,触摸检测 PAD 的大小可依不同的灵敏度设计在合理的范围内,低功耗与宽工作电压,是此触摸晶片可在 DC 或 AC 应用上的特性,电源及手机干扰特性好。提供 4 个通道触摸输入埠及 4 个直接输出埠。Z105+142



特点:
工作电压 2.4~5.5V
待机模式工作电流 (无负载)
@VDD=3.3V, 典型值 7uA,最大值 14uA。
@VDD=5.0V,典型值 14uA,最大值 28uA。
可靠的上电复位 (POR) 及低电压复位功能 (LVR)
触摸输出响应时间 (最小值) @VDD=5.0V
@ 侦测模式下时间为 48ms。
@ 待机模式下时间为 160ms。 通道灵敏度调整方法有两种
(1) 可以由外部一个电容 (CS) 统一进行调节 (CS:1~47nF)
(2) 各通道独立外部一个电容 (CTX) 进行调整 (CTX: 1~50pF)
提供 C 接输出,低电平有效,多键输出模式。 有效键最长输出时间 16 秒。 自动校准功能 刚上电的 4.0 秒内约 62.5 毫秒刷新一次参考值,若在上电后的 4.0 秒内有触摸按键或 4.0 秒后仍未触摸按键,则重新校准週期切换时间约为 1.0 秒。
应用范围 :各种消费性产品,取代按钮按键
概述
VK3601 是一款单通道单输出的触摸芯片,SOT23-6L 封装,待机电流低,工作电压范围宽,在有电源波动的情况下可以正常工作,抗手机等辐射干扰好,可用于 AC 或 DC 电源的产品上。
概述
VK3601SS 是一款集成了触摸按键、开关及 LED 灯光开关与亮度调节的单通道触摸芯片。使用该芯片可以实现单路触摸按键与单路触摸开关功能,以及 LED 灯光的触摸开关控制和亮度调节。具有如下功能特点和优势:
1: 灯光亮度可根据需要随意调节,选择范围宽,操作简单方便。
2: 可在有介质 (如玻璃、亚克力、塑料、陶瓷等) 隔离保护的情况下实现触摸功能,安全性高。
3: 应用电压范围宽,可在 2.4~5.5V 之间任意选择。
4: 应用电路简单,外器件少,加工方便,成本低。
5: 控制输出 PMW 信号频率达 20KHz,无频闪效果极佳。
6: 抗干扰特性好。芯片级 ESD 达±4KV,EFT 可达±4KV 以上;近距离、多角度手机干扰情况下,触摸响应灵敏度及可靠性不受影响
抗干扰低功耗触控 IC-高性价比系列
VK3601 工作电压/待机电流:2.4V-5.5V/4μA(3V) 感应通道数:1 输出方式:直接输出
抗干扰/待机电流小,抗电源及手机干扰,可通过 CAP 调节灵敏度 封装:SOT23-6
VK3601SS-1 工作电压/待机电流:2.4V-5.5V/3μA(3V) 感应通道数:1 输出方式:---
抗干扰/待机电流小,抗电源及手机干扰,三段调光/无极调光 封装:SOP8/DIP8
VK3602XS 工作电压/待机电流:2.4V-5.5V/8μA(3V) 感应通道数:2 输出方式:锁存输出
抗干扰/待机电流小,抗电源及手机干扰 封装:SOP8
VK3602K/KA 工作电压/待机电流:2.4V-5.5V/8μA(3V) 感应通道数:2 输出方式:直接输出
抗干扰/待机电流小,抗电源及手机干扰 封装:SOP8
VK3603 工作电压/待机电流:2.4V-5.5V/7μA(3V) 感应通道数:3 输出方式:直接输出
抗干扰/待机电流小,抗电源及手机干扰,可通过 CAP 调节灵敏度 封装:ESOP8
VK3604A 工作电压/待机电流:2.4V-5.5V/7μA(3V) 感应通道数:4 输出方式:直接/锁存输出
抗干扰/待机电流小,抗电源及手机干扰,可通过 CAP 调节灵敏度 封装:SOP16
VK3604B 工作电压/待机电流:2.4V-5.5V/7μA(3V) 感应通道数:4 输出方式:直接/锁存输出
抗干扰/待机电流小,抗电源及手机干扰,可通过 CAP 调节灵敏度 封装:SSOP16
VK36E4 工作电压/待机电流:2.4V-5.5V/6μA(3V) 感应通道数:4 输出方式:直接输出
抗干扰/待机电流小,抗电源及手机干扰,可通过 CAP 调节灵敏度 封装:ESSOP10
VK36Q4 工作电压/待机电流:2.4V-5.5V/6μA(3V) 感应通道数:4 输出方式:直接输出
抗干扰/待机电流小,抗电源及手机干扰,可通过 CAP 调节灵敏度 封装:DFN10(3*3 超小体积)
VK3606D 工作电压/待机电流:2.4V-5.5V/7μA(3V) 感应通道数:6 输出方式:直接输出
抗干扰/待机电流小,抗电源及手机干扰,可通过 CAP 调节灵敏度 封装:SOP16
VK3610I 工作电压/待机电流:2.4V-5.5V/9μA(3V) 感应通道数:10 输出方式:I2C 输出
抗干扰/待机电流小,抗电源及手机干扰,可调节灵敏度 封装:SOP16
——————————————————————————————————————————————————








